Zum Inhalt

☀️ Photovoltaik

Schema PV-Anlage

Schema PV

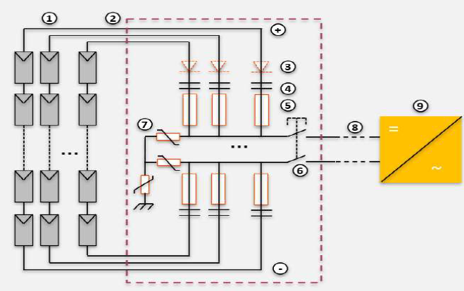
Komponenten: 1. Solarmodule (PV-Generator) 2. DC-(String)-Leitung 3. Stringsicherungen 4. DC Wartungsschalter 5. Überspannungsableiter 6. DC-(Array)-Leitung 7. Wechselrichter

Komplettes Schema